2022年11月,歐盟官方日記上公佈了歐盟通用充電器指令(EU) 2022/2380,該指令被作為歐盟RED指令2014/53/EU 的修訂,為RED指令範圍的某些設備的符合性新增了必要要求Article 3.4。從通用充電器指令(EU) 2022/2380強制實施之日起,在該指令範圍內的無線產品,進入歐盟市場前進行RED指令的符合性評估時,除了考慮安全、EMC、無線等符合性外,還必須確認滿足通用充電器指令(EU) 2022/2380的要求。
相關產品及實施時間:
根據通用充電器指令(EU) 2022/2380的規定,以下13類RED指令範圍內的設備,如果允許使用有線充電,則強制實施之日起,進入歐盟市場前,必須滿足通用充電器指令的要求。
- 手持式行動电话
- 平板電腦
- 數碼相機
- 耳罩式耳機
- 帶麥克風耳機
- 手持視頻遊戲機
- 携帶式揚聲器
- 電子閱讀器
- 鍵盤
- 滑鼠
- 携帶式導航系統
- 無限耳機
- 筆記型電腦
為了解答關於通用充電器指令(EU) 2022/2380實施的諸多疑問,5月7日,歐盟委員會在歐盟官方公報(OJ)上發佈了該指令實施的解釋指南C/2024/2997。解釋指南以問答的形式一一解釋了行業各方對於通用指令實施的各種疑問多達五十多條。其中包括普遍關注的充電器要求以及過渡時間的問題。
關於充電器
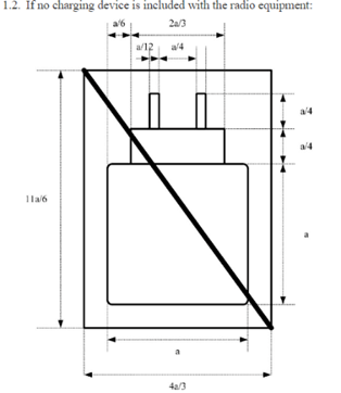
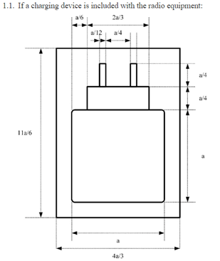
雖然RED指令本身並沒有直接定義通用充電器,但RED要求指定類別的無線設備必須可以使用協調的有線充電,這就相當於間接推動通用充電器的實施。而具體針對充電器的要求將會通過更新歐盟外置電源適配器的生態設計要求法規2019/1782 來執行。目前預計的時間是2025年初。也就是說預計2025年初,歐盟將會實施更新的外置電源適配器生態法規,在更新的EPS生態設計法規中會增加對通用充電器的相關要求。通用充電器指令(EU) 2022/2380要求的評估僅在上述無線設備本身。這些設備的製造商,可以選擇是否配備充電器而銷售並在產品的標牌或外包裝上做相應的標識。如果有配充電器銷售,則標圖1.1 的標識。如果未配,則標圖1.2的標識。

關於過渡期
通用充電器指令自2022年底公佈到2024年底強制執行,已經提供了兩年的過渡時期允許製造商有充分的時間來確保產品符合新的要求。因此,凡是在強制實施日期起進入市場的產品,不管是新的型號還是已有銷售過的舊型號,都必須確保滿足新的要求。至於在強制日期之前已經進入到歐盟市場的庫存產品,則不需追究其是否符合新的規定,可以繼續合法銷售。關於這方面的規則,可以詳細參閱歐盟指令的實施導則“Blue Guide”的規定。
諸多詳細的問題,可以仔細閱讀解釋指南C/2024/2997。點擊“閱讀原文”從網頁版新聞中可獲取連結。

Nemko 服務:
Nemko為無線設備提供一站式歐盟RED、英國RER、美國FCC、加拿大ISED、日本MIC、韓國KC、臺灣NCC、香港OFCA等認證。Nemko 作為歐盟RED指令的公告機構,我們的公告資質範圍已經擴展包含了Article 3.4的評估。在Nemko台灣,我們已經具備適當的設備和工程人力,可以為上述無線設備評估其USB Type C介面是否滿足EN IEC 62680-1-3/和EN IEC 62680-1-2的要求。歡迎您聯繫我們瞭解相關的詳情。
連繫Nemko: marketing.tw@nemko.com
標籤:
radio
Danny Lu
Danny Lu先生加入 Nemko Group AS 台灣分公司超過 15 年,現在負責三大領域包括關鍵客戶管理、行銷企劃和新業務開發。Danny 擁有亞利桑那州立大學 MBA 碩士學位,在開拓新業務及市場發展方面擁有極豐富的經驗。